Volkswagen Golf Service & Repair Manual: Assembly overview - brake caliper (PC57 brakes)
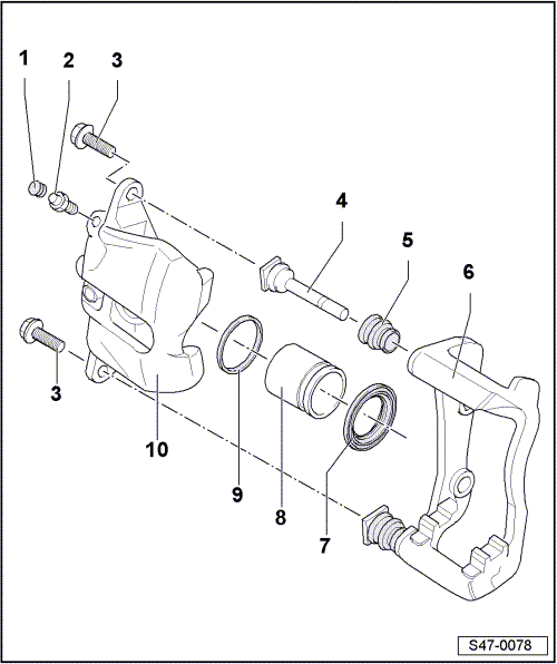
| When carrying out repairs, install all parts supplied in repair kit. |
| Use only methylated spirits for cleaning the brake. |
| Apply thin coat of lithium grease -G 052 150 A2- to brake cylinder,
piston and seal. |
| Before screwing in, grease thread with thin coat of lithium grease
-G 052 150 A2- |
| Renew after each removal. |
| Insert into brake carrier and guide pin groove; grease groove
beforehand, use repair kit grease pack. |
| Supplied as preassembled replacement part with greased guide pins
and protective caps. |
| If protective caps or guide pins are damaged, install repair kit.
Use lubricant sachet supplied to lubricate guide pins. |
| Removing and installing
→ Chapter |
| When inserting piston, take care not to damage protective cap |
| Removing and installing
→ Chapter |
| Apply thin coat of assembly paste G 052 150 A2 to piston before
installing. |
| Removing and installing
→ Chapter |
When carrying out repairs, install all parts supplied in repair kit.
Use only methylated spirits for cleaning the brake.
Apply thin coat of lithium grease -G 0 ...
Special tools and workshop equipment
required
Removal wedge -3409-
...
Other materials:
Assembly overview - rear wheel housing liner
Note
Minor differences may be encountered in respect of front wheel
housing liner, depending on vehicle model.
Only the left side is shown. The right side is similar.
1 -
Rear wheel housing liner
Materi ...
Overview of fitting locations - auxiliary heater
1 -
Auxiliary heater
With auxiliary heater control unit -J364-.
Removing
→ Chapter
2 -
Nut
20 Nm
3 -
Electrical connectors
4 -&nbs ...
How to start the engine using jump leads
Fig. 244 How to connect the jump leads
in starting vehicles without start/stop system: discharged battery ① and battery
providing assistance ②
Fig. 245 How to connect the jump leads
in starting vehicles with start/stop system: discharged battery ① and battery providing
assistance ② ...
© 2016-2025 Copyright www.vwgolf.org
