Volkswagen Golf Service & Repair Manual: Assembly overview - brake caliper (PC57 brakes)
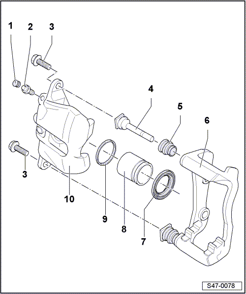
| When carrying out repairs, install all parts supplied in repair kit. |
| Use only methylated spirits for cleaning the brake. |
| Apply thin coat of assembly paste G 052 150 A2 to brake cylinder,
piston and sealing ring. |
| Apply thin coat of assembly paste G 052 150 A2 to thread before
screwing in. |
| Insert into brake carrier and guide pin groove; grease groove
beforehand, use repair kit grease pack. |
| Supplied as preassembled replacement part with greased guide pins
and protective caps. |
| If protective caps or guide pins are damaged, install repair kit.
Use lubricant sachet supplied to lubricate guide pins. |
| Removing and installing
→ Chapter |
| When inserting piston, take care not to damage it. |
| Removing and installing
→ Chapter |
| Apply thin coat of assembly paste G 052 150 A2 to piston before
installing. |
| Removing and installing
→ Chapter |
Special tools and workshop equipment
required
Removal wedge -3409-
...
Other materials:
Assembly overview - LED headlights
1 -
LED module for headlight main beam bulb
Left headlight main beam bulb -M30-
Right headlight main beam bulb -M32-
Removing and installing
→ Chapter
2 -
LED module for headlight ...
One-sided wear
This is often caused by driving style, but can be the result
of incorrect wheel alignment.
Increased one-sided wear
One-sided wear, usually in conjunction with signs of
scuffing on ...
Introduction
This chapter contains information on the following subjects:
→ Ashtray in the drink holder
→ Cigarette lighter
Additional information and warnings:
Electrical sockets
Accessories, modifications, repairs and renewal of parts
WARNING
Improper use of t ...
© 2016-2025 Copyright www.vwgolf.org
