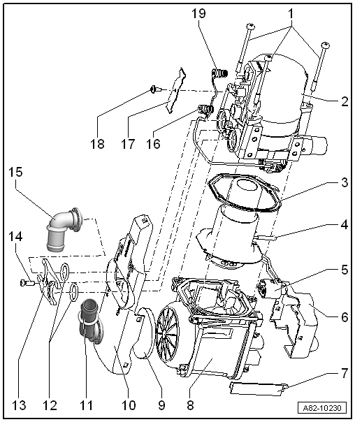
Volkswagen Golf Service & Repair Manual: Assembly overview - auxiliary heater, interior
| Removing and installing
→ Chapter. |
| Must be renewed after every opening. |
| Removing and installing
→ Chapter. |
| 5 - |
Glow plug with flame monitoring -Q8- |
| Removing and installing
→ Chapter. |
| 6 - |
Cover for auxiliary heater control unit -J364-. |
| Removing and installing
→ Chapter. |
| 8 - |
Auxiliary heater control unit -J364- with combustion air blower -V6- |
Note
| The auxiliary heater control unit -J364- and the combustion air
blower -V6- with housing form one component and cannot be dismantled.
The reason is the seal between the auxiliary heater control unit -J364-
and the housing. |
| Removing and installing
→ Chapter. |
| Mark installation position before detaching |
| Mark installation position before detaching |
| 16 - |
Temperature sensor -G18- |
| Removing and installing
→ Chapter. |
| 19 - |
Overheating sensor -G189- |
| Removing and installing
→ Chapter. |
1 -
Auxiliary heater
2 -
Clamping piece
3 -
Coolant hose
4 -
Air intake silencer
...
Special tools and workshop equipment
required
Torque wrench -V.A.G 1410- (4…20 Nm)
...
Other materials:
Maximum permitted gross combination weight
First read and observe the introductory information
and safety warnings All data in the official vehicle documents take precedence
over these data. All data in this manual apply to the basic German model. The vehicle
data sticker in the service schedule and the official vehicle documents sho ...
What happens to vehicle occupants who have not fastened their seat belts
Fig. 61 An unbelted driver is thrown forwards
Fig. 62 The unbelted rear passenger is
thrown forwards, hitting the belted driver
First read and observe the introductory information
and safety warnings Many people believe that they can brace their weight
with their hands in a minor collis ...
Overview of the front passenger side
Fig. 10 Overview of the front passenger
side (left-hand drive vehicles). The controls are mirrored for right-hand drive
vehicles
Fig. 11 Dash panel near open front passenger
door (left-hand drive vehicles). The controls are mirrored for right-hand drive
vehicles
Key for and :
...
© 2016-2025 Copyright www.vwgolf.org
