Volkswagen Golf Service & Repair Manual: Checking fuel system for leaks
| Special tools and workshop equipment
required |
| Fuel system tester (so-called smoke tester) -KLI 9210- |
| Adapter hose -KLI 9210/55-1- |
|
|
|
| Hose clamps up to 25 mm -3094- |
|
|
|
| Plug-in connector |
Colour code on plug-in
connector |
| Fuel supply |
Black |
| Fuel return line |
Blue |
| Breather |
White or beige |
| Preparation of fuel system tester -KLI 9210-: |
Note
| The fuel system tester -KLI 9210- may differ in appearance
depending on the version. |
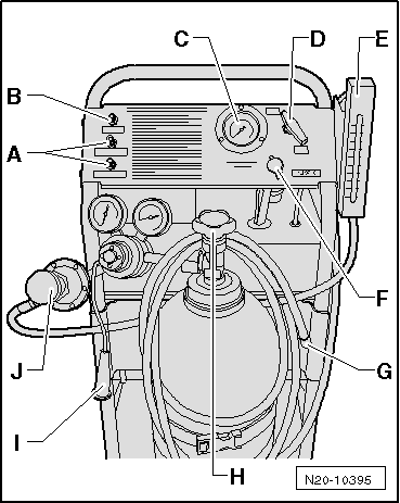
| – |
Check fuel system tester -KLI 9210- to ensure that there is
enough fluid in smoke generator. |
|
|
|
| – |
Set valve -D- to “Hold”. |
| – |
Open nitrogen bottle -H-. |
| – |
Connect test hose -G- to
self-test connection -B-. |
| – |
Set valve -D- to “Test”. |
| – |
Regulate pressure to 25 mbar (10 in H2O)
with pressure reducer -J-. |
| – |
Set valve -D- to “Hold”. |
| Pressure must now be maintained for at least 2 minutes. |
| |
Check tester if pressure is not maintained. |
|
|
|
| Checking fuel system for leaks: |
| – |
Connect adapter hose -KLI 9210/55-1- to breather lines
-A-“white marking” as shown. |
|
|
|
| – |
Connect measuring hose -G- from
fuel system tester -KLI 9210- to adapter hose -KLI9210/55-1-. |
| – |
Connect fuel system tester -KLI 9210- to vehicle battery. |
| – |
Remove rear right wheel housing liner. |
|
|
|
| – |
Tightly seal hose to air filter
-arrow- using a hose clamp. |
|
|
|
| – |
Set valve -D- to “Test”. Fuel
system will now be filled. |
| – |
Observe pressure gauge -C- and
flow meter -E-. When the throughput
quantity decreases, and the pressure increases to 10 in. H2O
(25 mbar), the fuel system is filled. |
| – |
Once pressure has stabilised, set valve
-D- to “Hold”. |
| After 5 minutes the pressure must not drop below 8 in. H2O
(20 mbar). |
| If pressure drops or pressure fails to build up, localise
leak as follows: |
| – |
Fill fuel system with smoke. To do this, set valve
-D- to “Test” again. |
| – |
While fuel system is being filled, depress button
-I- for smoke generator for approx.
one minute. |
| The fuel system is now pressurised and filled with smoke. |
| – |
Check all lines and hoses and sealing cover of fuel system
for escaping smoke. |
Note
| Illuminate all components and hoses with a powerful light to
make the smoke easier to detect. |
| For leak detection in accessible areas, the ultrasonic
tester or commercially available leak-detecting spray can also
be used. |
| Depending on how long fault finding takes, it may be
necessary to press the smoke generator button from time to time.
This ensures that sufficient smoke is present in the fuel
system. |
|
|
|
| To inspect flanges for fuel pump and fuel filter, assembly
opening in vehicle interior must be opened. |
| – |
Renew leaking hoses or components. |
|
|
|
Removing
–
Observe safety instructions
→ Chapter.
–
Observe rules for cleanliness
...
Other materials:
Cleaning stowage compartments, drink holders and ash trays
First read and observe the introductory information
and safety warnings Cleaning stowage compartments and drink holders
Some stowage compartments and drink holders have a removable rubber insert or
felt insert in the base.
Clean rubber inserts with a clean, lint-free and damp cloth.
...
Removing and installing side defroster vent
Note
Removal and installation is described for the side defroster
vent on driver side. Follow same instructions for the front
passenger side as appropriate.
Special tools and workshop equipment
required
&nb ...
Paintwork in Aftersales
Panels galvanised on both sides
Earlier attempts at flanged pairings have resulted in the
fact that only panels that are galvanised on both sides are used
now. Only in this way can the cathodic protection and the
barrier effect of the zi ...
© 2016-2026 Copyright www.vwgolf.org
