Volkswagen Golf Service & Repair Manual: Overview - power transmission
| Overview - power transmission - front-wheel drive |
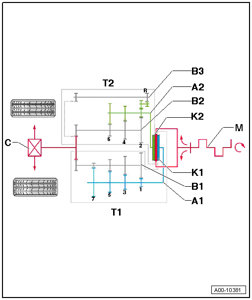
| The 7-speed dual clutch gearbox 0CW equipped with 5 shafts. 2 input
shafts and 3 output shafts. |
| with gears 2, 4, 6 and reverse gear R |
Allocation gearbox - engine
Golf 2013 ►, Golf Estate 2014 ►
Always take account of the gearbox code if ...
Other materials:
The roll-back function for the electric panorama sliding/tilting roof
First read and observe the introductory information
and safety warnings The roll-back function can reduce the risk of crush injuries
when closing the electric panorama sliding/tilting roof . If the electric panorama
sliding/tilting roof cannot close because it is stiff or obstructed, it w ...
Checklist
Always carry out the following actions for changing a bulb in the
given order :
Park the vehicle on a firm and level
surface at a safe distance from the flow of traffic.
Switch on the electronic parking brake
Braking, stopping and parking Brakes Parking .
Turn the light swit ...
Overview of fitting locations - components not located in passenger
compartment, Golf Variant LHD
1 -
Exhaust ventilation for passenger compartment
Checking
→ Chapter
Removing and installing
→ Chapter
2 -
Humidity sender for air conditioning system -G260-
Check v ...
© 2016-2026 Copyright www.vwgolf.org
